Se rendre au contenu

POTENTIOMETRE LOG STEREO 1K

https://www.reboul.fr/web/image/product.template/84279/image_1920?unique=c5fb73d
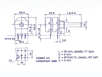
Potentiomètres rotatifs de 20mm avec piste de carbone pour applications CI. Boîtier métallique et axe en plastique (Ø 6mm). Interrupteur unipolaire optionnel (1A - 24VCC / 0.3A - 250VCA).logarythmique (série B) sans interrupteur stéréo RADIOHM
Reference: K001BS
Code commande: 1278-0921
Disponibilité:
sous 22 jour(s)

9,54 € 9.54 EUR 9,54 € TTC

Not Available For Sale

Caracteristiques
RoHS: oui
Résistance: 1kOhms
Linéaire / logarithmique: Logarithmique
Monotour / Multitours: Monotour
Element resistif: CARBONE
Simple / Double: Double (stéreo)
Avec interrupteur: non
Tolérance (-/+): 20%