Se rendre au contenu

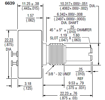
Potentiometer Rotary, Precision 10K SINGLE TURN sans butée

https://www.reboul.fr/web/image/product.template/385634/image_1920?unique=dd20845
potentiomètre sans butée
Reference: 6639S-1-103
Code commande: 1311-6286
Disponibilité:
En stock (1)

33,30 € 33.3 EUR 33,30 € TTC

Not Available For Sale

Caracteristiques
Poids: 10g
RoHS: oui
Résistance: 10kOhms
Linéaire / logarithmique: Linéaire
Monotour / Multitours: Monotour
Simple / Double: Simple
Avec interrupteur: non
Tolérance (-/+): 15%
Estimation puissance: 1W
Diamètre axe: 6.35mm
Documents