Se rendre au contenu

Ventilateur compact ETRI DC12V 92mm

https://www.reboul.fr/web/image/product.template/502114/image_1920?unique=dd20845
Ventilateur axial ETRI
Reference: 162DH1LP11000
Code commande: 1239-2575
Disponibilité:
sous 7 jour(s)

340,87 € 340.87 EUR 340,87 € TTC

Not Available For Sale

Caracteristiques
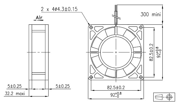
Dimensions: 92 x 92 x 32 mm
Tension nominale: 12V
Vitesse nominale: 3250
Débit d'air : 20.5l/s
Niveau de bruit: 33.5dB(A)
Type roulement: BILLES
Forme / dimension: Carré 92x92
Profondeur : 32mm
Puissance absorbée: 3.1W
Type: DC
Documents