Se rendre au contenu

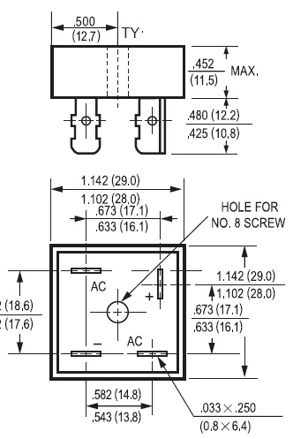
Pont mono-phase 1000V 50A carré 30x30x10mm cosses 6.35mm

https://www.reboul.fr/web/image/product.template/112361/image_1920?unique=d5bf259
Reference: KBPC5010
Code commande: 1062-5033
Disponibilité:
En stock (5)

9,42 € 9.42 EUR 9,42 € TTC

Not Available For Sale

Caracteristiques
Poids: 10g
Dimensions: 27 x 27 x 11 mm
Type: Monophasé
Tension inverse crête: 1000V
Courant direct moyen: 50A
Boitier: KBPC
Montage: A visser
Raccordement: Cosses
Documents