Se rendre au contenu

VOIR 1804-2849 RELAIS 24VDC 16A 1 inverseur

https://www.reboul.fr/web/image/product.template/301709/image_1920?unique=fecca10
RELAIS 1RT 16A
Reference: RT314024
Code fournisseur: 9-1393239-8
Code commande: 1238-1616
Disponibilité:
Nous contacter

7,25 € 7.25 EUR 7,25 € TTC

Not Available For Sale

Caracteristiques
Poids: 100g
RoHS: oui
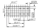
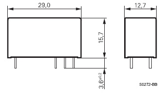
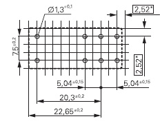
Dimensions: 29 x 12 x 15 mm
Tension de bobine: 24VDC
Courant max (ss 250VAC): 16A
Configuration contacts: RT (Inverseur)
Nombre de contacts: 1
Type de montage: CI
Indicateur à led: non
Bouton de test: non
Mode de fonctionnement: Monostable
Diode de roue libre: non
Documents