Se rendre au contenu

Telemecanique Sensors XCKJ - interrupteur & capteur de fin de course format industriel EN 50041 Métal - tête rotative et levier

https://www.reboul.fr/web/image/product.template/411936/image_1920?unique=e4333be
interrupteur classique métallique
Reference: XCKJ10541
Code commande: 1361-8209
Disponibilité:
sous 4 jour(s)

118,32 € 118.32 EUR 118,32 € TTC

Not Available For Sale

Caracteristiques
Poids: 200g
RoHS: oui
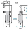
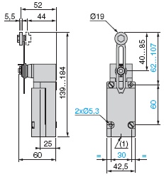
Dimensions: 140 x 57 x 42 mm
Famille: Puissance
Fonction: NO
Nombre de pôles: 2
Connexions: Cosses à vis
Courant max (pour 250 VAC): 3A
Type d'actionneur: Levier à galet
Longueur levier: 107mm
Indice de protection: IP67
Montage: Standard
Documents