Se rendre au contenu

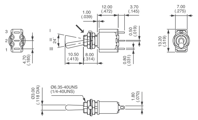
INVERSEUR UNIP PICOTS DROITS

https://www.reboul.fr/web/image/product.template/25113/image_1920?unique=fe79830
INVERSEUR MINIATURE A LEVIER
Reference: 5236AB
Code commande: 1015-2409
Disponibilité:
En stock (22)

5,50 € 5.5 EUR 5,50 € TTC

Not Available For Sale

Caracteristiques
Poids: 4g
Dimensions: 13.2 x 7 x 34.2 mm
Catégorie: Miniature
Type: Inverseur
Nb de pôles: 1
Configuration: ON-ON
Connexions: Picots CI droits
Documents