Se rendre au contenu

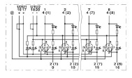
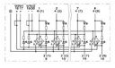
Répartiteur pour capteurs / actionneurs, avec verrouillage rapide SPEEDCONNEC, câble multiconducteur enfichable et prises double

https://www.reboul.fr/web/image/product.template/464368/image_1920?unique=bcf7ee1
Répartiteur pour capteurs/actionneurs, Connecteur femelle M12 SPEEDCONNEC, 5pôles, Affichage d'état: oui, pnp 180°, Blindage: non
Reference: SACB-6/12-L-C SCO
Code fournisseur: 1516810
Code commande: 1202-6661
Disponibilité:
sous 5 jour(s)

200,18 € 200.18 EUR 200,18 € TTC

Not Available For Sale

Caracteristiques
Poids: 302.5g
RoHS: oui
Nombre de voies: 6
Type de connecteur: M12
Type raccordement: A visser
Equipement: Double
Documents