Se rendre au contenu

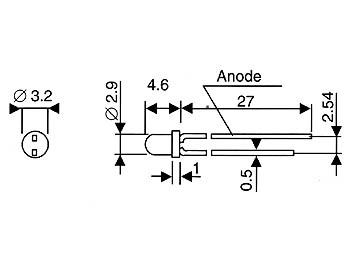
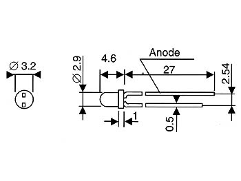
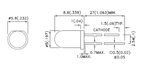
Leds

0,25 € 0.25 EUR