Se rendre au contenu

ALIM DECOUP MONO 15W 1,2A 12VCC

https://www.reboul.fr/web/image/product.template/494591/image_1920?unique=a022660
Nouvelle alimentation S8VK-G Trois raisons majeures pour lesquelles la S8VK est totalement adaptée à vos besoins - La conception la plus compacte du marché - Résistante dans les environnements difficiles - Installation simple et rapide
Reference: S8VK-G01512
Code fournisseur: 374165
Code commande: 1473-4274
Disponibilité:
sous 4 jour(s)

71,28 € 71.28 EUR 71,28 € TTC

Not Available For Sale

Caracteristiques
Poids: 150g
RoHS: oui
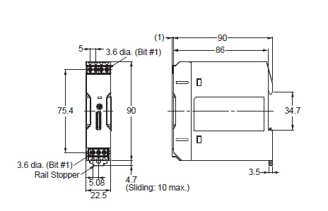
Dimensions: 90 x 90 x 22.5 mm
Intensité maxi: 1.25A
Puissance: 15W
Primaire: 120V AC monophasé 240V AC monophasé
Type de sortie: 12V DC
Sortie ajustable: OUI
Montage: Fond d'armoire Rail DIN
Documents