Se rendre au contenu

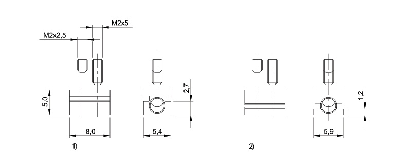
Bride de fixation BMF, pour BMF 303, Vérin pneumatique avec rainure intégrée, Support transformable pour dimensions de rainure 2

https://oc.reboul.fr/web/image/product.template/80438/image_1920?unique=b65fac9
Bride de fixation pour les capteurs de Vérin BALLUFF de type BMF303 Pour Vérin tout marque (METAL WORK, HOERBIGER ORIGA, SMC, FESTO, JOUCOMATIC, etc...) Avantage du montage : - Le capteur disparait dans la rainure. - Point de commutation mémorisé. Même si vous remplacez le capteur le point de commutation réglé est fixé et donc mémorisé grâce à la bride de fixation.
Reference: BMF 303-HW-51
Code fournisseur: BAM00L6
Code commande: 1016-8110
Disponibilité:
En stock (9)

10,84 € 10.84 EUR 10,84 € TTC

Not Available For Sale

Caracteristiques
Elements: Bride BMF303
Type de bride: Rainure en T
Documents