Se rendre au contenu

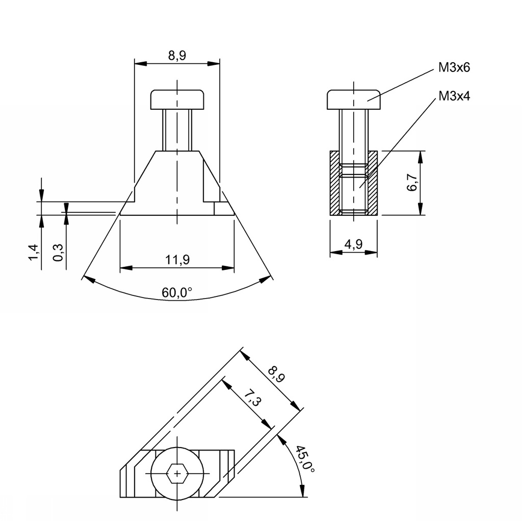
Bride de fixation BMF Bride de fixation BMF Rainure en queue d'aronde 60° (p. ex. Festo Bosch Numatics et Hoerbiger-

https://www.reboul.fr/web/image/product.template/79542/image_1920?unique=cae72cc
Bride de fixation pour capteur de vérin BMF 305
Reference: BMF 305-HW-25
Code fournisseur: BAM00LR
Code commande: 1016-7670
Disponibilité:
En stock (6)

11,04 € 11.04 EUR 11,04 € TTC

Not Available For Sale

Caracteristiques
Elements: Bride BMF305
Type de bride: Rainure trapèze
Documents