Se rendre au contenu

VERIN ISO 15552 SERIE 3 DEMA D32 C25

https://www.reboul.fr/web/image/product.template/94740/image_1920?unique=ac4551f
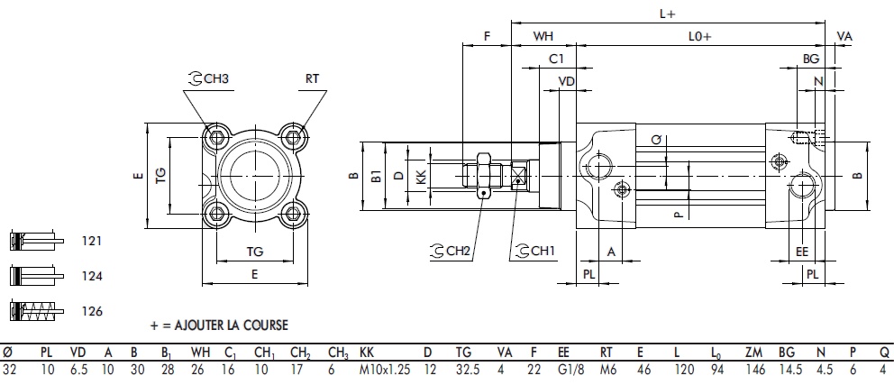
VERINS "ISO 15552" SERIE 3 (Anciennement ISO 6431) • Piston magnétique • Double effet, tige simple • Joint NBR • Fixations normalisées, unités de guidage et bloqueurs de tige mécanique. • (versions spéciales sur demande) Le tube profilé a été conçu pour réduire le poids à son minimum. Deux rainures en T, situées sur la même face que les orifices de raccordement, permettent le montage d'unités de détection magnétique. Les trois autres faces du vérin sont lisses, sans rainure, pour en faciliter le nettoyage.
Reference: 1213320025CN
Code commande: 1329-7831
Disponibilité:
sous 7 jour(s)

86,76 € 86.76 EUR 86,76 € TTC

Not Available For Sale

Caracteristiques
Poids: 451g
Course: 25mm
Force (à 6 bars): 48dN
Type: Carré ISO 15552
Norme: ISO 15552/6431
Element: Verin
Matière tige: Acier chromé C45
Matière piston: Technopolymère
Type joint: NBR
Diamètre: 32mm
Documents