Se rendre au contenu

CONTRE CHARN.EQUER.ISO MOD.GS D40

https://www.reboul.fr/web/image/product.template/103692/image_1920?unique=f286221
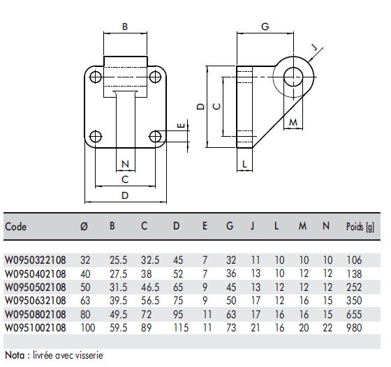
Accessoires verin ISO 15552 (Anciennenement ISO 6431) Contre-charnière d'équerre pour modèle B
Reference: W0950402108
Code commande: 1117-4950
Disponibilité:
sous 7 jour(s)

29,28 € 29.28 EUR 29,28 € TTC

Not Available For Sale

Caracteristiques
Poids: 138g
Norme: ISO 15552/6431
Element: Chappe arrière
Diamètre: 40mm
Documents