Se rendre au contenu

DIST.S70 MAV 36 LES CC 5/3 L90 cf.rc.1/4

https://www.reboul.fr/web/image/product.template/384880/image_1920?unique=484e913
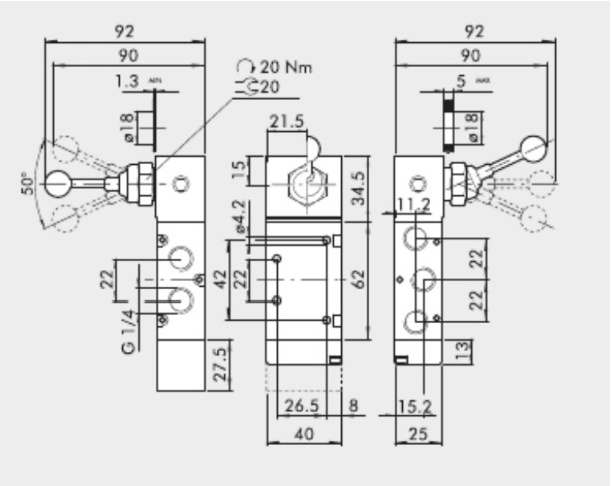
Distributeurs à commande manuelle droite série 70 Ces distributeurs sont les modèles traditionnels de la gamme Metal Work. Ils sont disponibles en deux tailles de raccordement: G 1/8 et G 1/4, deux fonctions: 3/2 et 5/2, commande manuelle bistable.
Reference: 7020001000
Code commande: 1126-3692
Disponibilité:
sous 10 jour(s)

108,12 € 108.12 EUR 108,12 € TTC

Not Available For Sale

Caracteristiques
Poids: 200g
Fonction: 5/2 Bistable
Raccordement: VIS FEMELLE 1/4
Type de commande: Levier
Pression maxi: 10bar
Pression mini de pilotage: 2.5bar
Documents