Se rendre au contenu

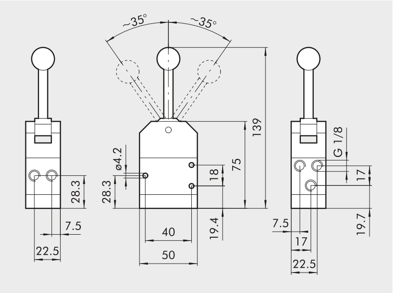
DIST.S70 MAV 28 VLS OC 5/3 LF co.rc.1/8

https://www.reboul.fr/web/image/product.template/180955/image_1920?unique=774fcbe
Distributeur pneumatique a commande manuelle série 70 à levier frontal
Reference: 7010001160
Code commande: 1126-3722
Disponibilité:
sous 10 jour(s)

109,32 € 109.32 EUR 109,32 € TTC

Not Available For Sale

Caracteristiques
Poids: 325g
Fonction: 5/3 Centre ouvert
Raccordement: VIS FEMELLE 1/8
Type de commande: Levier
Débit: 400l/m
Documents