Se rendre au contenu

Relais de sécurité pour surveillance d'arrêt d'urgence et de porte de protection jusqu'à SIL 3 ou cat. 4, PL e selon EN ISO 1384

https://www.reboul.fr/web/image/product.template/444415/image_1920?unique=f8838eb
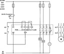
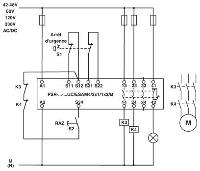
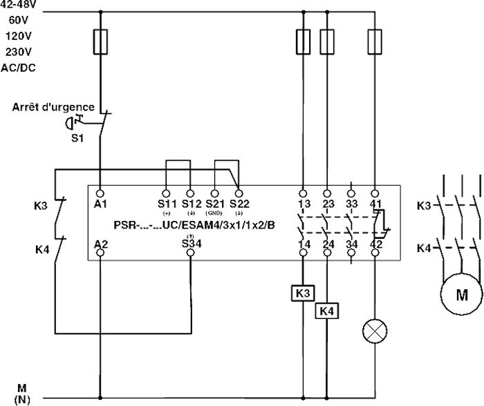
Relais de sécurité pour surveillance d'arrêt d'urgence et de porte de protection jusqu'à SIL 3 ou cat. 4, PL e selon EN ISO 13849, monocanal ou bicanal, 3 circuits à fermeture, tension nominale d'entrée : 230 V AC/DC, bloc de jonction enfichable par tension à ressort
Reference: PSR-SPP-230UC/ESAM4/3X1/1X2/B
Code fournisseur: 2901429
Code commande: 1399-7960
Disponibilité:
En stock (1)

290,08 € 290.08 EUR 290,08 € TTC

Not Available For Sale

Caracteristiques
Poids: 100g
RoHS: oui
Dimensions: 22.5 x 112 x 114.5 mm
Catégorie: 4
Tension de bobine: 230V
Options: Arret d'urgence Porte sécurité
Nb de sorties NO: 3
Nb de sorties NF: 1
Sorties temporisées: non
Tension d'alim: 230 VAC
Documents