Se rendre au contenu

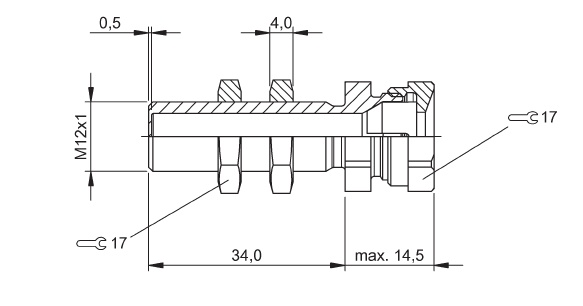
Dispositif de fixation pour capteurs Ø8 mm pour capteurs M08 à partir d'une longueur de fixation 32 mm Laiton nickelé Ø

https://www.reboul.fr/web/image/product.template/74230/image_1920?unique=8a32694
protection pour cateur M8 antichoc
Reference: BES 08,0-KH-2S
Code fournisseur: BAM00AH
Code commande: 1017-4555
Disponibilité:
En stock (1)

14,15 € 14.15 EUR 14,15 € TTC

Not Available For Sale

Caracteristiques
Dimensions: 17 x 31 mm
Montage: Mural
Orientable: non