Se rendre au contenu

Amplificateur pour fibres optiques Boîtier métallique 15*60*45 PNP - claire/sombre - sortie câble 2m Portée max : 1,2 m en ba

https://oc.reboul.fr/web/image/product.template/252255/image_1920?unique=32f82a5
boitier en métal robuste utiliser fibres : FUE025B3001 et FUF050B2011
Reference: FVDM 15P5103
Code fournisseur: 10234520
Code commande: 1032-1249
Disponibilité:
sous 17 jour(s)

278,76 € 278.76 EUR 278,76 € TTC

Not Available For Sale

Caracteristiques
Poids: 150g
RoHS: oui
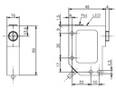
Dimensions: 15 x 60 x 45 mm
Tension alimentation: 12-24VDC
Type de sortie: Transistor PNP
Raccordement: sortie cable nu
Fonction: Détection pièce
Mode de réglage: Potentiomètre
Mode de service: Dark On Light On
Indice de protection: IP65
Documents