Se rendre au contenu

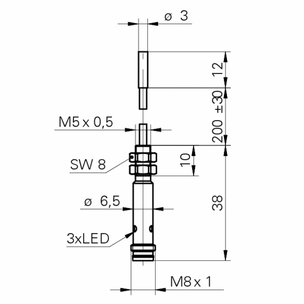
Détecteur inductif Boîtier métallique 3*12 24VDC - PNP NO - conn.M8 déporté avec électronique Portée : 0,8mm noyé

https://oc.reboul.fr/web/image/product.template/266052/image_1920?unique=524570e
Reference: IFRM 03P1505/CS35L
Code fournisseur: 10140294
Code commande: 1030-8622
Disponibilité:
En stock (1)

330,00 € 330.0 EUR 330,00 € TTC

Not Available For Sale

Caracteristiques
Poids: 100g
Dimensions: 3 x 12 mm
Forme: lisse 3mm
Type de sortie: DC PNP
Fonction de sortie: NO
Tension d'alim (min/max) min: 10V
Tension d'alim (min/max) max: 30V
Raccordement: cable + connecteur M8 3 broches
Nombre de fils: 3
Montage cap: NOYABLE
Indice de protection: IP67
Portée nominale (min/max) min: 0mm
Portée nominale (min/max) max: 0.8mm
Documents