Se rendre au contenu

Relais temporisé Syr-Line 17,5 mm modulaire – 12-240 Vac/dc - Multifonctions (A/At – B – C – H - Ht – D/Di – Ac – N – Tl – Tt)

https://www.reboul.fr/web/image/product.template/107537/image_1920?unique=f25d4ab
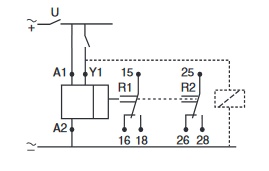
Relais temporisé. Format boîtier : 17.5mm Double sortie : 2 x 8A.
Reference: BM2R08MV1
Code commande: 1592-2854
Disponibilité:
Nous contacter

119,11 € 119.11 EUR 119,11 € TTC

Not Available For Sale

Caracteristiques
Fonctions: Calibrateur mise en forme Chien de garde Clignotant cyclique Retard à la mise ss tension Temporisation combinée fermeture / ouverture Temporisation à la mise ss tension Totalisateur Télérupteur Télérupteur temporisé
Format: Modulaire 17.5mm
Temporisation mini: 0.5s
Temporisation maxi: 240h
Alimentation: 12 à 240 VAC 12 à 240 VDC
Type sortie: 2 relais
Courant max sortie relais (pour 250VAC): 8A
Documents