Se rendre au contenu

Horaire LCD 2223 - 24*48

https://www.reboul.fr/web/image/product.template/107367/image_1920?unique=2889791
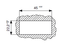
Compteur Horaires sans présélection - LCD 24 x 48 - CTR24 CTR24 modèle non rétro-éclairé - Affichage : 8 digits LCD, hauteur 8 mm - Module intégré pour entrées tension 10 ?260 VAC/DC (2224-2324) - 4 gammes de temps 99 999,99 h - 99 999,59 h - 999 999,9 s - 9 999 h 59 mn 59 s - Alimentation par pile lithium, durée de vie 8 ans - Remise à zéro façade ou externe avec possibilité d'inhibition - Modèle rétro-éclairé (2323-2333-2324) - Accessoires pour découpe 50 x 25 mm
Reference: 87622161
Code commande: 1297-5662
Disponibilité:
En stock (3)

114,90 € 114.9 EUR 114,90 € TTC

Not Available For Sale

Caracteristiques
Poids: 50g
RoHS: oui
Dimensions: 24 x 48 x 0 mm
Fonction: HORAIRE
Type entrée: PNP
Type Alimentation: Batterie
Nb de présélection: 0
Type de connectique: bornier à vis
Type d'affichage: LCD
Documents